manuals.support
[English] [Français] [Español] [Deutsch] [Italiano] [Português]
Manuel d'utilisation, notice de montage, manuel d'installation, manuel de service, schémas techniques, schémas électriques,liste des pièces détachées, documentation technique...

MARQUE + MODELE   + & Telecharger PDF
 
A - B - C - D - E - F - G - H - I - J - K - L - M - N - O - P - Q - R - S - T - U - V - W - X - Y - Z

Telecharger
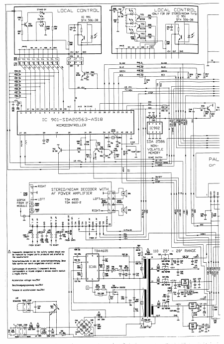
BEKO 10.2 Chassis
Manuel de service Anglais (29 Pages)
15.90 EUR

BEKO 10.2 Chassis Manuel de service Anglais

Vous pouvez facilement télécharger le document ci-dessus qui contient des informations importantes pour votre équipement.
Le format électronique PDF peut être lu sur n'importe quel appareil.


 

Votre email
   
Cet email doit être valide.




Les manuels proposés par supermanuals.com sont des documents numériques au format pdf. Le mode d'emploi permet de mieux utiliser l'appareil. Le manuel d'installation est nécessaire lors de la réception pour la mise en service. Le manuel de service décrit les procédures de réparation. La liste des pièces détachées sert à démonter les composants. Les schémas internes permettent de procéder aux réparations. 

$imagename $imagename $imagename $imagename $imagename $imagename
Telecharger PDF Telecharger PDF Telecharger PDF Telecharger PDF Telecharger PDF Telecharger PDF
 
Les manuels fournis par manuels.international permettent d'installer, d'utiliser et de réparer avec des instructions d'utilisation, des schémas, des listes de pièces pour l'utilisateur et le technicien.
 
supermanuals.com - Privacy Policy - About & Contact form © Assistance Network 2004 - 2023
[English] [Français] [Español] [Deutsch] [Italiano] [Português]