manuals.support
|
|
Request any owner's manual, instructions book, user's guide, service manual, schematics, parts list
|
| |
|
| A - B - C - D - E - F - G - H - I - J - K - L - M - N - O - P - Q - R - S - T - U - V - W - X - Y - Z |
|
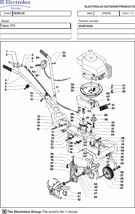
Download TALPA 370 Spare Parts (IPL) English (5 Pages) 15.90 EUR
TALPA 370 Spare Parts (IPL) English
You can easily download the above official manual which contains important information for your equipement. The electronic PDF format can be read on any device.
|
The manuals provided by supermanuals.com are digital documents in pdf format. The operating instructions make it possible to use the appliance better. The installation manual is required at the time of receipt for commissioning. The service manual describes the repair procedures. The parts list is used to disassemble components. The internal diagrams make it possible to carry out repairs.
|
| The manuals provided by supermanuals.com allow to install, use and repair with instructions, schematics, parts lists for the user and the technician. |
|
|
|
| |
|
|
| supermanuals.com - Privacy Policy - About & Contact form © Assistance Network 2004 - 2023 |
|